Một mạng điện đơn giản dùng trong phòng ngủ có kích thước 3x4 m bao gồm hai aptomat, một ổ cắm điện, hai công tắc ba cực điều khiển một đèn. Hãy...
Câu hỏi: Một mạng điện đơn giản dùng trong phòng ngủ có kích thước 3x4 m bao gồm hai aptomat, một ổ cắm điện, hai công tắc ba cực điều khiển một đèn. Hãy:
a) Thiết kế sơ đồ nguyên lí và sơ đồ lắp đặt của mạng điện.
b) Lập bảng tính toán chi phí của mạng điện.
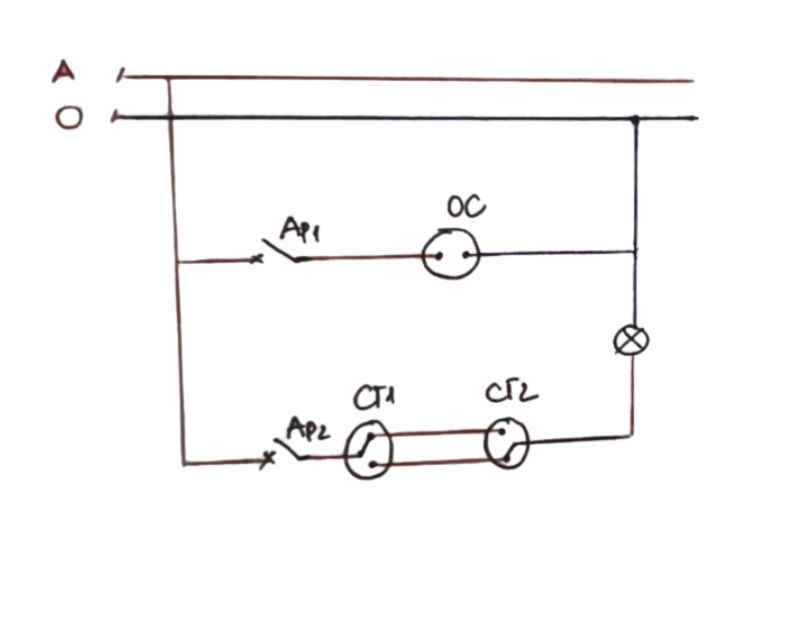
a)
Sơ đồ nguyên lí:

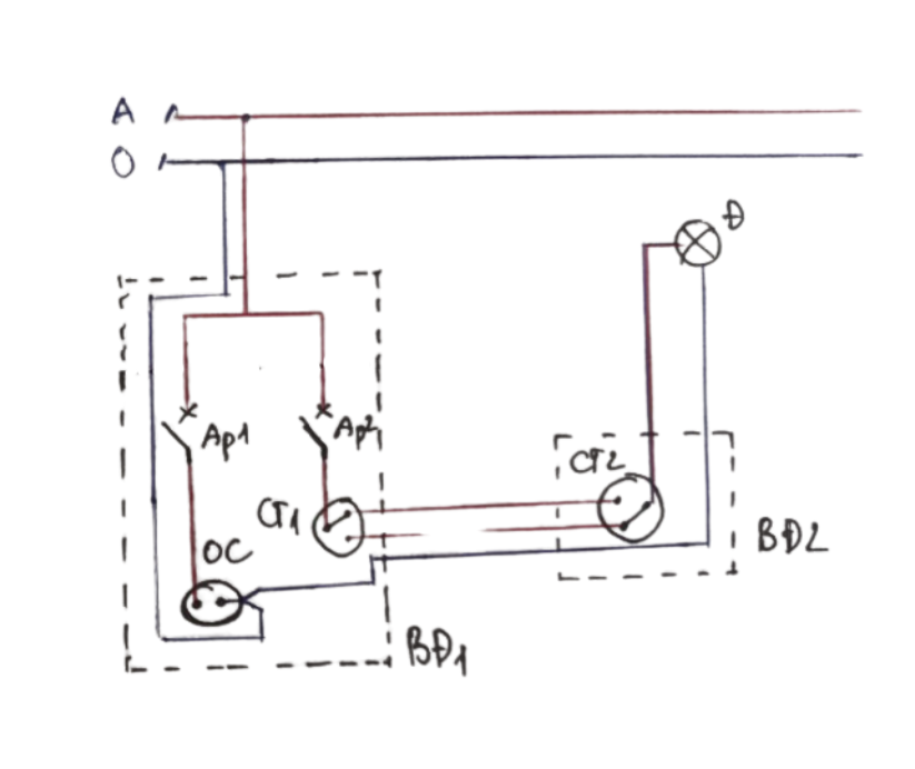
Sơ đồ lắp đặt:

b)
STT | Tên thiết bị, vật liệu | Thông số kĩ thuật | Đơn vị tính | Số lượng | Đơn giá (VNĐ) | Thành tiền (VNĐ) |
1 | Aptomat | 16 A - 250 V | cái | 1 | 67.000 đ | 67.000 đ |
2 | 10 A - 250 V | cái | 1 | 60.000 đ | 60.000 đ | |
3 | Bóng đèn, đui đèn | 250 V - 12 W | bộ | 1 | 63.000 đ | 63.000 đ |
4 | Ổ cắm điện | 16 A - 250 V | cái | 1 | 50.000 đ | 50.000 đ |
5 | Công tắc | 16 A - 250 V | cái | 2 | 27.000 đ | 54.000 đ |
6 | Dây dẫn điện | 2×4,0 mm2 | m | 5 | 24.500 đ | 122.500 đ |
7 | 2×1,5 mm2 | m | 5 | 9.800 đ | 49.000 đ | |
8 | Bảng điện | 300×200mm | cái | 2 | 20.000 đ | 40.000 đ |
Tổng chi phí | 505.500 đ | |||||
Giải những bài tập khác
Giải bài tập những môn khác
Môn học lớp 9 KNTT
5 phút giải toán 9 KNTT
5 phút soạn bài văn 9 KNTT
Văn mẫu 9 kết nối tri thức
5 phút giải KHTN 9 KNTT
5 phút giải lịch sử 9 KNTT
5 phút giải địa lí 9 KNTT
5 phút giải hướng nghiệp 9 KNTT
5 phút giải lắp mạng điện 9 KNTT
5 phút giải trồng trọt 9 KNTT
5 phút giải CN thực phẩm 9 KNTT
5 phút giải tin học 9 KNTT
5 phút giải GDCD 9 KNTT
5 phút giải HĐTN 9 KNTT
Môn học lớp 9 CTST
5 phút giải toán 9 CTST
5 phút soạn bài văn 9 CTST
Văn mẫu 9 chân trời sáng tạo
5 phút giải KHTN 9 CTST
5 phút giải lịch sử 9 CTST
5 phút giải địa lí 9 CTST
5 phút giải hướng nghiệp 9 CTST
5 phút giải lắp mạng điện 9 CTST
5 phút giải cắt may 9 CTST
5 phút giải nông nghiệp 9 CTST
5 phút giải tin học 9 CTST
5 phút giải GDCD 9 CTST
5 phút giải HĐTN 9 bản 1 CTST
5 phút giải HĐTN 9 bản 2 CTST
Môn học lớp 9 cánh diều
5 phút giải toán 9 CD
5 phút soạn bài văn 9 CD
Văn mẫu 9 cánh diều
5 phút giải KHTN 9 CD
5 phút giải lịch sử 9 CD
5 phút giải địa lí 9 CD
5 phút giải hướng nghiệp 9 CD
5 phút giải lắp mạng điện 9 CD
5 phút giải trồng trọt 9 CD
5 phút giải CN thực phẩm 9 CD
5 phút giải tin học 9 CD
5 phút giải GDCD 9 CD
5 phút giải HĐTN 9 CD
Trắc nghiệm 9 Kết nối tri thức
Trắc nghiệm 9 Chân trời sáng tạo
Trắc nghiệm 9 Cánh diều
Tài liệu lớp 9
Văn mẫu lớp 9
Đề thi lên 10 Toán
Đề thi môn Hóa 9
Đề thi môn Địa lớp 9
Đề thi môn vật lí 9
Tập bản đồ địa lí 9
Ôn toán 9 lên 10
Ôn Ngữ văn 9 lên 10
Ôn Tiếng Anh 9 lên 10
Đề thi lên 10 chuyên Toán
Chuyên đề ôn tập Hóa 9
Chuyên đề ôn tập Sử lớp 9
Chuyên đề toán 9
Chuyên đề Địa Lý 9
Phát triển năng lực toán 9 tập 1
Bài tập phát triển năng lực toán 9
Bình luận